Greetings,
I'm considering buying a Fiat Dino Coupé 2400 and because of certain health reasons it would be good if the car had or could be fitted with air conditioning.
I can see a couple of coupés for sale that claim to have air conditioning. In one of them (2.4) I can see an under the dash type of unit inside the car (Borletti is mentioned as the manufacturer), in the case of two others (2.0, 2.4) I can't see one. I've been browsing Ferrari Dino 246 workshop manual and it describes air conditioning that appears to integrate better into the car and does not require a visible unit inside the car. I haven't found any technical or marketing information about original or aftermarket Fiat Dino air conditioning setups.
So, was air conditioning an "official" Fiat accessory, installed at the factory, or have they all been retrofitted by owners? If there was an official accessory, what kind of a system it was? Were aftermarket alternatives provided for these cars in the 60s/70s (that is, is/was there anything that could be called "period correct")? If something was available, how difficult would it be to locate such a system these days and modify it for a modern refrigerant? Alternatively, has anyone installed a modern system that is not visible inside the car and does not look too out of place in the engine bay? Since cars with air conditioning are rare, I'd rather not limit myself to them.
Thanks,
Hannu
Air conditioning for Fiat Dino Coupé 2400
Moderator: alh
- Tobi
- Site Admin
- Posts: 571
- Joined: Thu Nov 14, 2013 7:56 am
- Dino: Fiat Dino 2.4 Coupe
- Location: Upper Palatinate - Bavaria
Re: Air conditioning for Fiat Dino Coupé 2400
Hi Hannu,
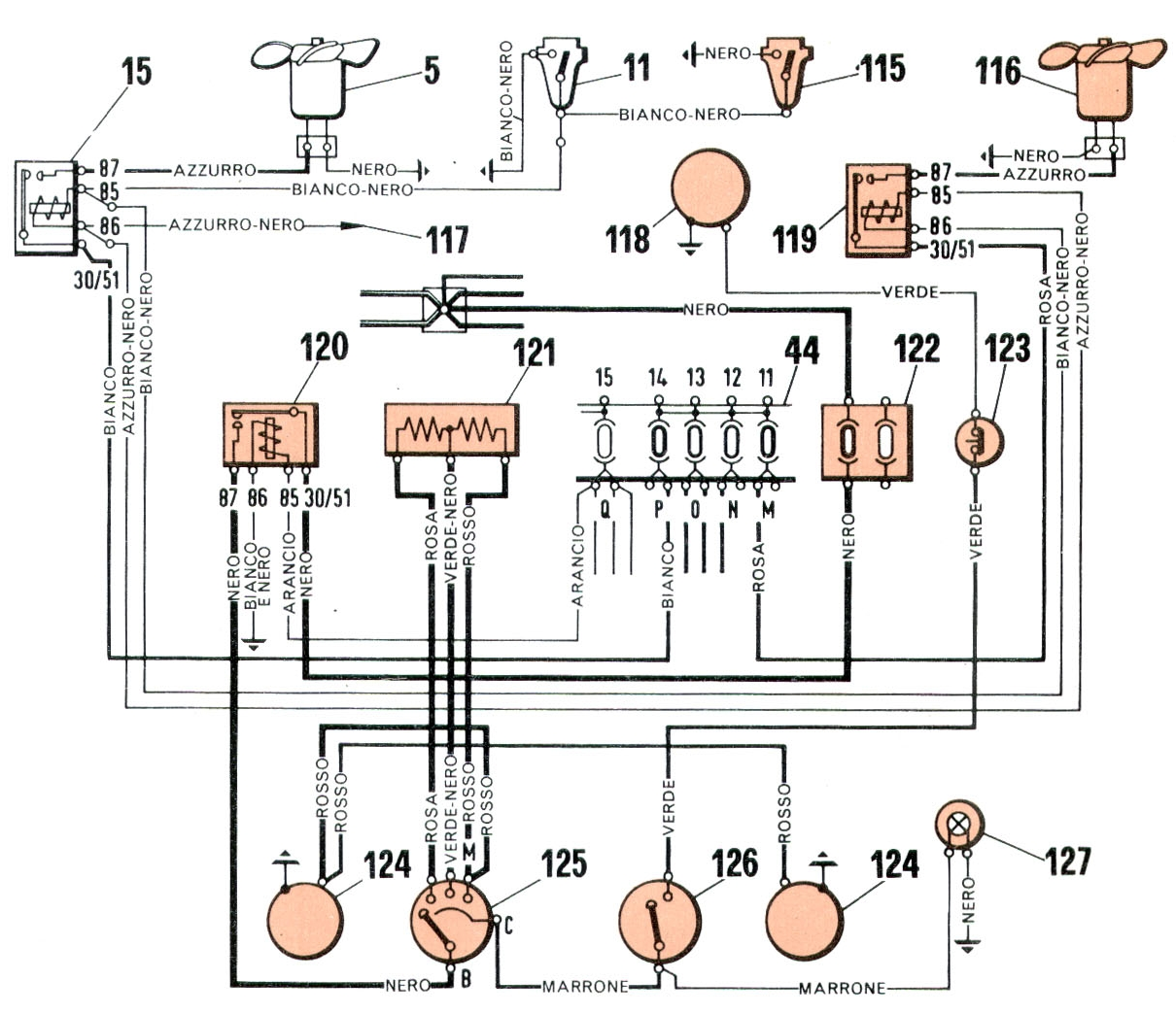
There was a factory A/C option but it was not very common. I've never seen a Fiat Dino with A/C. I've found a wiring diagram that might help you.
Best regards,
Tobi
There was a factory A/C option but it was not very common. I've never seen a Fiat Dino with A/C. I've found a wiring diagram that might help you.
Best regards,
Tobi
-
grand Turismo
- Posts: 60
- Joined: Thu Nov 28, 2013 11:56 am
- Dino: Fiat Dino 2.4 Coupe
Re: Air conditioning for Fiat Dino Coupé 2400
There was one of these on eBay recently
- Tobi
- Site Admin
- Posts: 571
- Joined: Thu Nov 14, 2013 7:56 am
- Dino: Fiat Dino 2.4 Coupe
- Location: Upper Palatinate - Bavaria
Re: Air conditioning for Fiat Dino Coupé 2400
Just have a look at this page of the German owners manual.
- Dinofanwim
- Posts: 63
- Joined: Sat Aug 01, 2015 1:16 am
- Dino: Fiat Dino 2.4 Coupe
- Location: Helmond (Noord Brabant) The Netherlands
- Contact:
Re: Air conditioning for Fiat Dino Coupé 2400
Hey there,
Every Fiat Dino Coupé was standard equipped with a system that was close to an "air condition" !
Fresh air entered the car through sleeves of the air intake for the radiator, as well as the air intakes placed in front of the windshield.
Ths fresh air entered into the interior of the car and its effect could be compared to opening a window on a hot day of a car which is not equipped with a compressor driven air conditioner.
It was the airstream that created evaporation and therefore cooled to a certain extend the interior. (Stale air went out via the vents)
As you will understand there was no power loss due to the abcense of a compressor that kicks in!
In order to prevent exhaust fumes entering the car during decelleration, the round rear vents, placed behind the rear side windows, had membrames incorporated.
Of course the only disadvantage was, when the Coupé was stationary, the system ony worked with the blower at maximum speed!
In the original brochure of the Coupé, you can find a complete explanation of the system (viewtopic.php?f=18&t=21_ )
It should be noted that a traditional compressor driven airco, could be easily installed, but was not available as a factory option.
A beautifull piece of engineering which was later also fitted to the Lamborghini Espada, which seems to be logical, as the body of this car was also produced by Bertone. (Styled by Gandini, who is also responsable for the Lancia Stratos!)
Every Fiat Dino Coupé was standard equipped with a system that was close to an "air condition" !
Fresh air entered the car through sleeves of the air intake for the radiator, as well as the air intakes placed in front of the windshield.
Ths fresh air entered into the interior of the car and its effect could be compared to opening a window on a hot day of a car which is not equipped with a compressor driven air conditioner.
It was the airstream that created evaporation and therefore cooled to a certain extend the interior. (Stale air went out via the vents)
As you will understand there was no power loss due to the abcense of a compressor that kicks in!
In order to prevent exhaust fumes entering the car during decelleration, the round rear vents, placed behind the rear side windows, had membrames incorporated.
Of course the only disadvantage was, when the Coupé was stationary, the system ony worked with the blower at maximum speed!
In the original brochure of the Coupé, you can find a complete explanation of the system (viewtopic.php?f=18&t=21_ )
It should be noted that a traditional compressor driven airco, could be easily installed, but was not available as a factory option.
A beautifull piece of engineering which was later also fitted to the Lamborghini Espada, which seems to be logical, as the body of this car was also produced by Bertone. (Styled by Gandini, who is also responsable for the Lancia Stratos!)
La passione per tutti creazone!
Alfre"dino", che significa tanto a suo padre Enzo!
Poi ha lanciato suo padre Enzo, il marchio "Dino".
Alfre"dino", che significa tanto a suo padre Enzo!
Poi ha lanciato suo padre Enzo, il marchio "Dino".
Re: Air conditioning for Fiat Dino Coupé 2400
I just bought (by coincidence) my second Dino project car - Fiat Dino 2400 from 1971. I haven't seen the car yet, but from the photos from my driver it looks like there is an AC unit mounted under the glove box compartment. See photo below. Any thoughts on this? Is it a factory AC?

- Tobi
- Site Admin
- Posts: 571
- Joined: Thu Nov 14, 2013 7:56 am
- Dino: Fiat Dino 2.4 Coupe
- Location: Upper Palatinate - Bavaria
Re: Air conditioning for Fiat Dino Coupé 2400
Looks like a retrofit
