Ignition switch Issues

Technical Topics and Discussions

Moderator: alh

Luis A
Posts: 89
Joined: Tue Oct 31, 2017 12:35 am
Dino: Fiat Dino 2.4 Coupe

Re: Ignition switch Issues

Post by Luis A »

Hi Charlie,

Although I can’t help you with your original question regarding the switch, I can tell you that I offloaded the headlamps partly to extend the longevity of the switch, but also to obtain more brightness due to multiple voltage drops along that particular path, which includes not only the ignition switch, but also the main headlamp switch.

Luis
abarth4
Posts: 83
Joined: Wed Nov 27, 2013 3:55 am
Dino: Fiat Dino 2.4 Spider
Location: USA Midwest

Re: Ignition switch Issues

Post by abarth4 »

Thanks for the reply. To update this thread further, when I removed the electrical portion of the switch from the ignition lock housing, I found that the electrical portion is "out in the open" and no further disassembly is needed to clean the contacts. See photos. Not what I was expecting and certainly unlike the switch disassembly in the link I provided.
Charlie
Attachments
switch2.jpg
switch1.jpg
Charlie Bates
Metamora Illinois, USA
Fiat Dino Spider 2400 #1186
abarth4
Posts: 83
Joined: Wed Nov 27, 2013 3:55 am
Dino: Fiat Dino 2.4 Spider
Location: USA Midwest

Re: Ignition switch Issues

Post by abarth4 »

I have added a document to the Library section of this web forum. It shows ignition switch disassembly and cleaning. I have also uploaded a terminal numbering "cheat sheet" of the ignition switch terminals. I hope this will be of help to forum members. Additional photos, unused in the write up will be added as well. Thanks
Charlie
Charlie Bates
Metamora Illinois, USA
Fiat Dino Spider 2400 #1186
User avatar
Tobi
Site Admin
Posts: 569
Joined: Thu Nov 14, 2013 7:56 am
Dino: Fiat Dino 2.4 Coupe
Location: Upper Palatinate - Bavaria

Re: Ignition switch Issues

Post by Tobi »

Dinoswede
Posts: 124
Joined: Sat Apr 05, 2014 4:22 pm
Dino: Fiat Dino 2.0 Spider

Re: Ignition switch Issues

Post by Dinoswede »

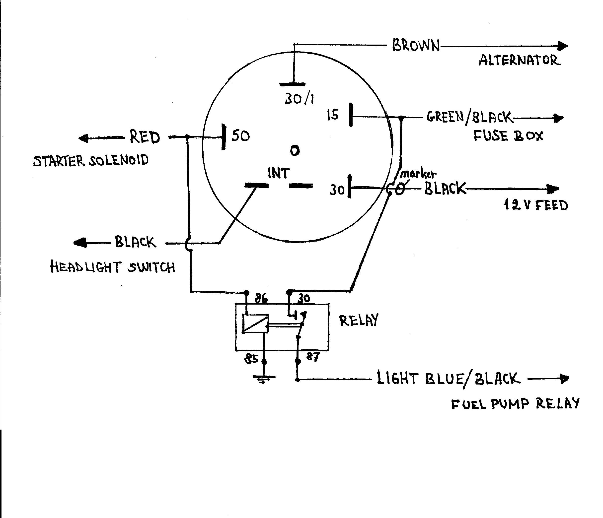
Finding a new original FIAT 4156194 ignition lock with the no. 16 contact is getting more and more difficult.
If your old ignition lock has too damaged (burnt) electrical kontacts, you still can replace it with the more
common FIAT 124/125/850/Lada ignition locks - although these are missing the no. 16 contact.

You just have to be aware of these ignition locks often come with different length of the steering locking shaft.
If too short, the steering wheel will not be locked when the key is taken out of the lock.

Contact no. 50 is feeding 12 Volt power to the starter solenoid when the key is turned to starting position, so
it may seem logical just connecting the light-blue/black wire to no. 50, if the contact no. 16 is missing...

But - when the engine is started and running, the light-blue/black wire still carries 12 Volt power from the
connection at the fuel pump relay. As long as the engine is running, the oil pressure switch activates the power
feed to the fuel pump relay, and if the light-blue/black wire is connected to the contact no. 50, the starter will
be running all the time!! Or, at least until a fuse blows... In other words - a total disaster.


Here is my solution: Adding a simple circuit with a standard-type 12 Volt relay will "isolate" the 12 Volt in the
light-blue/black wire from the no. 50 contact and the starting circuit when the engine is fired up, and ignition
key is turned back to "ignition on" position. See the wiring diagram below:

ignition lock 001.jpg

Dinoswede
User avatar
ThomasK
Posts: 228
Joined: Mon Dec 30, 2013 12:44 pm
Dino: Fiat Dino 2.4 Coupe

Re: Ignition switch Issues

Post by ThomasK »

Sometimes you can find the electrical insert with terminal 16 to replace a worn one. You also can take it out and clean the contacts. To prevent too much wear a Relais between the ignition lock and the starter can definitely be useful.
Post Reply